Hazards of Use 1.5








Lightning conductors- Suggestion for design of a lightning conductor for a GNSS system:
1. On non-metallic structures
Protection by air terminals is recommended. An air terminal is a pointed solid or tubular rod of conducting material with proper mounting and connection to a conductor. The position of four air terminals can be uniformly distributed around the antenna at a distance equal to the height of the air terminal.
The air terminal diameter should be 12 mm for copper or 15 mm for aluminium. The height of the air terminals should be 25 cm to 50 cm. All air terminals should be connected to the down conductors. The diameter of the air terminal should be kept to a minimum to reduce GNSS signal shading.
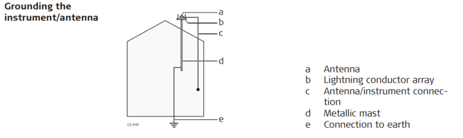
2. On metallic structures
Protection is as described for non-metallic structures, but the air terminals can be connected directly to the conducting structure without the need for down conductors.








